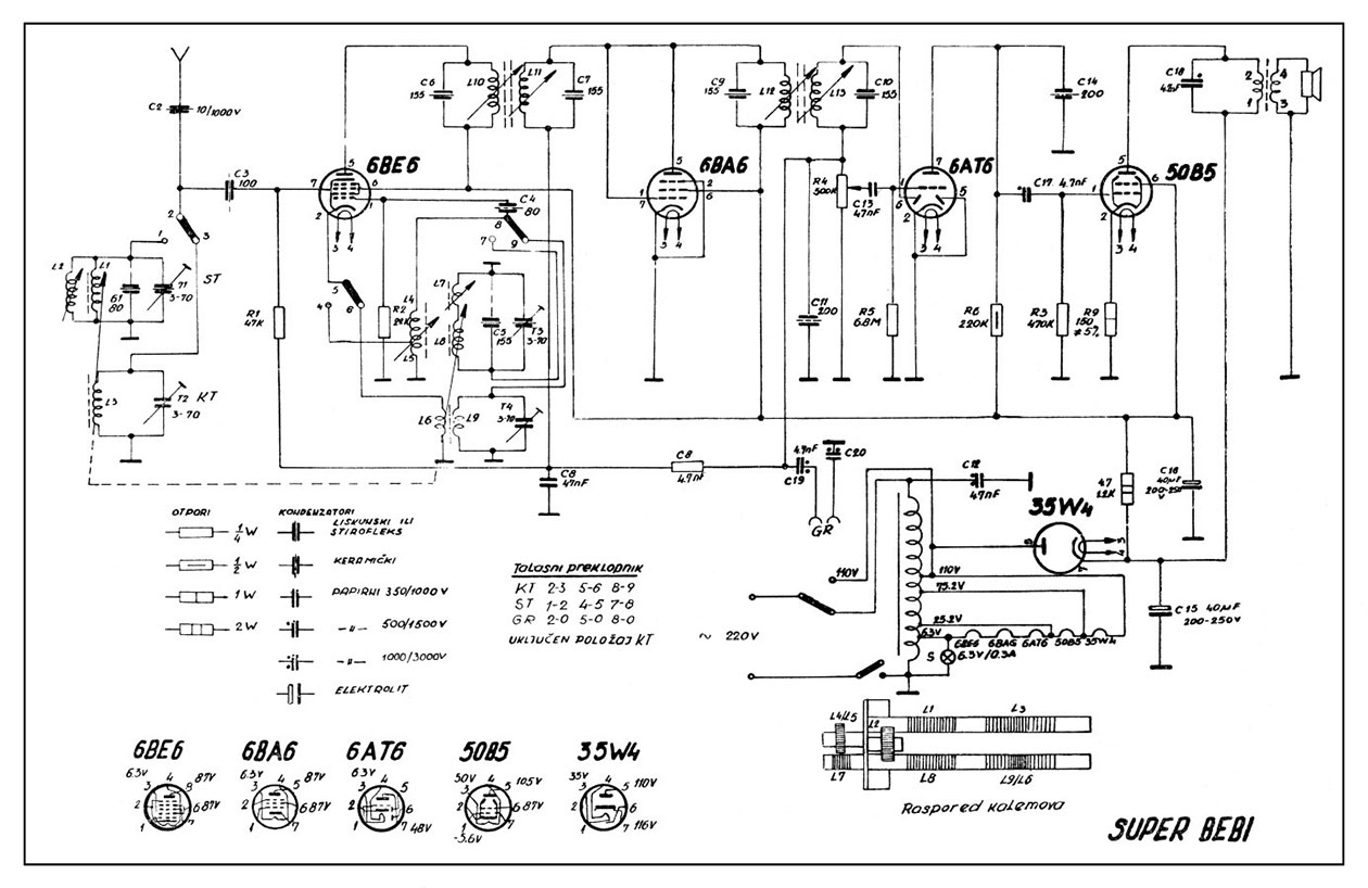
Super bebi
Najpoznatiji prijemnik REK-a.
Proizvodnja počela 1958. godine.
Prijemnik razvijen prema italijanskom prijemniku Elettrodin R3.
U početku bez, a kasnije sa magičnim okom.
Elektronske cevi: 6BE6, 6BA6, 6AT6, 50B5, 35W4, DMT1.B5
Elettrodin R3




SUPER BEBI prvi model
šema prijemnika SUPER BEBI