Žeželj
Radio-aparat sklapan od delova za prijemnik ORION418A.
Proizvodnja je počela 1956. godine. Proizveden u maloj seriji.
Prijemnik je u drvenoj kutiji REK-a.
Prijemnik ima srednje, kratke i duge talase i ulaz za gramofon.
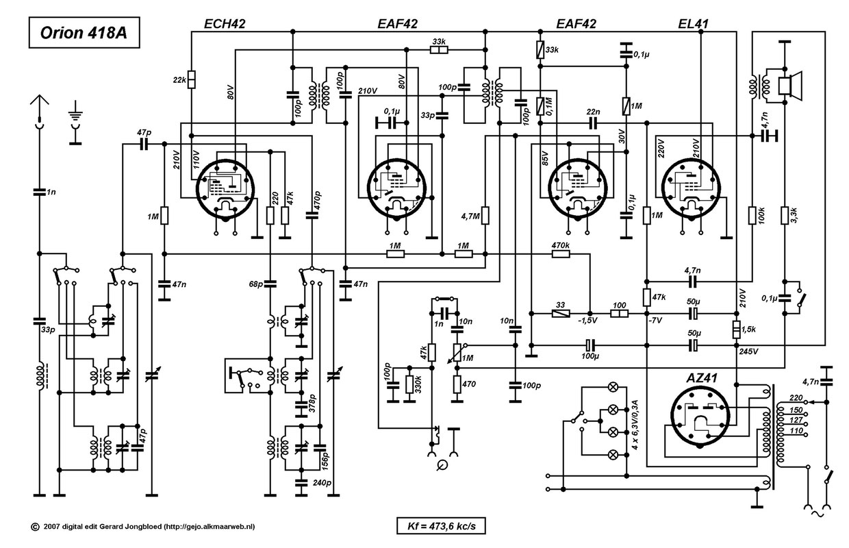
Elektronske cevi: ECH42, EAF42, EAF42, EL41, AZ41

ORION418A



šema prijemnika ORION418A
